Rapportering
enligt EU taxonomin
För 2023 täcker taxonomirapporteringen följande kriterier
för väsentligt bidrag:
– Begränsning av klimatförändring
– Anpassning till klimatförändring
– Hållbart användande och skydd av vatten och marina resurser
– Förebyggande och kontroll av föroreningar
– Övergång till en cirkulär ekonomi
– Skydd och återställande av biologisk mångfald och ekosystem
Alfa Laval har dragit slutsatsen att bolaget inte har verksamheter relaterade till ”Förebyggande och kontroll av föroreningar” och ”Skydd och återställande av biologisk mångfald och ekosystem”.
Bolaget:
– utför inte,
– finansierar inte och
– är inte exponerat mot forskning, utveckling, demonstration och utbyggnad, uppförande, renovering, drift eller säker drift avseende
kärnenergirelaterade eller fossilgasrelaterade verksamheter. Däremot säljer bolaget komponenter och service till företag som omfattas av ovanstående beskrivning.
Alfa Laval har efter en noggrann analys kommit till slutsatsen att bolaget inte har några miljömässigt hållbara verksamheter som täcks av de ekonomiska verksamheter som specificeras i taxonomin eller uppfyller de tekniska granskningskriterierna eller uppfyller kriterierna avseende att inte orsaka betydande skada (Do Not Substantially Harm: DNSH). Anledningen till detta är att EU taxonomin inte passar speciellt bra in på ett tillverkande företag. Som ett exempel kan nämnas att EU taxonomin fungerar bra för företag som tillverkar biodiesel, men fungerar inte alls för företag som tillverkar den utrustning som biodieselproducenterna behöver för sin produktion. Samma sak gäller för den service som Alfa Laval säljer till biodieselproducenter. Det första problemet är att de ekonomiska verksamheter som listas i taxonomin inte täcker alla affärsverksamheter hos Alfa Laval, vilket gör det omöjligt att rapportera dem som miljömässigt hållbara trots att våra produkter hjälper våra kunder att reducera sin energiförbrukning och sina koldioxidutsläpp. Många av de tekniska granskningskriterierna och DNSH kriterierna är också mycket svåra för ett tillverkande företag att uppfylla, helt enkelt beroende på att de är designade för producenterna och inte för utrustningstillverkarna som säljer till producenterna.
Dessutom säljer Alfa Laval och inte minst Marine-divisionen produkter och system till det fossila energiområdet för att reducera energiförbrukning och koldioxidutsläpp, men dessa viktiga bidrag till miljömässig hållbarhet omfattas inte av EU taxonomin.
Sammanfattningsvis spelar de produkter och system som Alfa Laval tillverkar och säljer en mycket viktig roll i att reducera energiförbrukning och koldioxidutsläpp, MEN taxonomin täcker inte detta!
Under 2023 har ett arbete genomförts för att på ett bättre sätt identifiera den försäljning, de driftsutgifter och de investeringar som ryms inom de ekonomiska verksamheter som anges i taxonomin. Tidigare användes bara ett slutmarknadsbaserat (industribaserat) angreppssätt, men det har nu kompletterats med en mer produktorienterad approach. Detta har ökat täckningen inom 3.6 ”Tillverkning av andra teknologier för låga koldioxidutsläpp” med ca 3 procentenheter. För det nya området ”Cirkulär ekonomi” har även specifika eftermarknadserbjudanden identifierats, vilket har ersatt det som tidigare rapporterades på 5.1 ”Konstruktion, utökning och drift av system för insamling, behandling och leverans av vatten” och 7.3 ”Installation, underhåll och reparation av energieffektiv utrustning” inom ”Begränsning av klimatförändring”. Anledningen till denna ändring var att det nya området passar in bättre på Alfa Lavals eftermarknadsaffär. Det är framför allt tillägget av den ekonomiska verksamheten 5.1 ”Reparation, renovering och återtillverkning” inom ”Cirkulär ekonomi” som står för den stora ökningen av täckningen inom taxonomin.
Nyckeltalen enligt EU taxonomin presenteras i de följande tabellerna.
Nettoomsättning
De ekonomiska verksamheter i Alfa Laval som omfattas av taxonomin har i första hand identifierats baserat på vilka slutmarknader (industrier) varje division säljer till. För den ekonomiska verksamheten 3.6 ”Tillverkning av andra teknologier för låga koldioxidutsläpp” inom ”Begränsning av klimatförändringar” har dock även ett mer produktorienterat angreppssätt använts, där främst försäljning av lödda, packningsförsedda och svetsade värmeväxlare har inkluderats förutsatt att de inte säljs till kärnkraft eller fossila bränslen eller redan täcks in av de identifierade slutmarknaderna (industrierna). Specifika produkter har också använts för att identifiera försäljning inom 8.2 ”Datadrivna lösningar för minskningar av växthusgasutsläpp” och 8.4 ”Programvara som möjliggör hantering av fysiska klimatrisker och klimatanpassning”. För 5.1 ”Reparation, renovering och återtillverkning” har ett urval av eftermarknadserbjudanden använts för att identifiera den försäljning som kvalificerar inom ”Cirkulär ekonomi”.
Nettoomsättningssiffrorna avser avtal med kunder. Huvuddelen av de ekonomiska verksamheter som omfattas av taxonomin avser i första hand Energy-divisionen och i andra hand Food & Water-divisionen.
Ovanstående tabell om nettoomsättning kan sammanfattas som följer:
| Koncernen | Andel av nettoomsättningen / Total nettoomsättning fördelat på | |
| 2023 | Miljömässigt hållbara (taxonomiförenliga) kriterier | Kriterier som omfattas av taxonomin men inte är miljömässigt hållbara (ej taxonomiförenliga) |
| Begränsning av klimatförändringar (CCM) | – | 22,9% |
| Anpassning till klimatförändringar (CCA) | – | 0,2% |
| Vatten och marina resurser (W) | – | 1,3% |
| Föroreningar (P) | – | – |
| Cirkulär ekonomi (CE) | – | 24,1% |
| Biologisk mångfald och ekosystem (BE) | – | – |
| Totalt | – | 48,5% |
Driftsutgifter
Driftsutgifter avser direkta kostnader för:
– utbildning och andra anpassningsbehov inom HR (konvertering och förändring),
– forskning och utveckling,
– byggnadsrenovering,
– kortsiktiga leasingavtal,
– underhåll och reparation och
– andra direkta utgifter för dagligt underhåll av materiella anläggningstillgångar av Alfa Laval eller tredje part.
Ovanstående tabell om driftsutgifter kan sammanfattas som följer:
| Koncernen | Andel av nettoomsättningen / Total nettoomsättning fördelat på | |
| 2023 | Miljömässigt hållbara (taxonomiförenliga) kriterier | Kriterier som omfattas av taxonomin men inte är miljömässigt hållbara (ej taxonomiförenliga) |
| Begränsning av klimatförändringar (CCM) | – | 16,0% |
| Anpassning till klimatförändringar (CCA) | – | 0,0% |
| Vatten och marina resurser (W) | – | 4,5% |
| Föroreningar (P) | – | – |
| Cirkulär ekonomi (CE) | – | 3,4% |
| Biologisk mångfald och ekosystem (BE) | – | – |
| Totalt | – | 23,9% |
Följande tabell visar hur de driftsutgifter som omfattas av taxonomin har utvecklats från 2022 till 2023.
| Koncernen | Driftsutgifter fördelat per kostnadsslag | |
| MSEK | 2023 | 2022 |
| Utbildning och andra anpassningsbehov inom HR (konvertering och förändring) | 0 | 0 |
| Forskning och utveckling | 311 | 107 |
| Byggnadsrenovering | 25 | 5 |
| Kortsiktiga leasingavtal | 27 | 5 |
| Underhåll och reparation | 45 | 25 |
| Andra direkta utgifter för dagligt underhåll av materiella anläggningstillgångar av Alfa Laval eller tredje part | 23 | 10 |
| Totalt | 431 | 152 |
Den största delen av driftutgifterna avser forskning och utveckling, vilket är ett högprioriterat område för att stödja bolagets framtida tillväxt inom hållbarhetsområdet. Den största delen av ökningen av driftsutgifterna beror på en ökad satsning på forskning och utveckling inom hållbarhetsområdet.
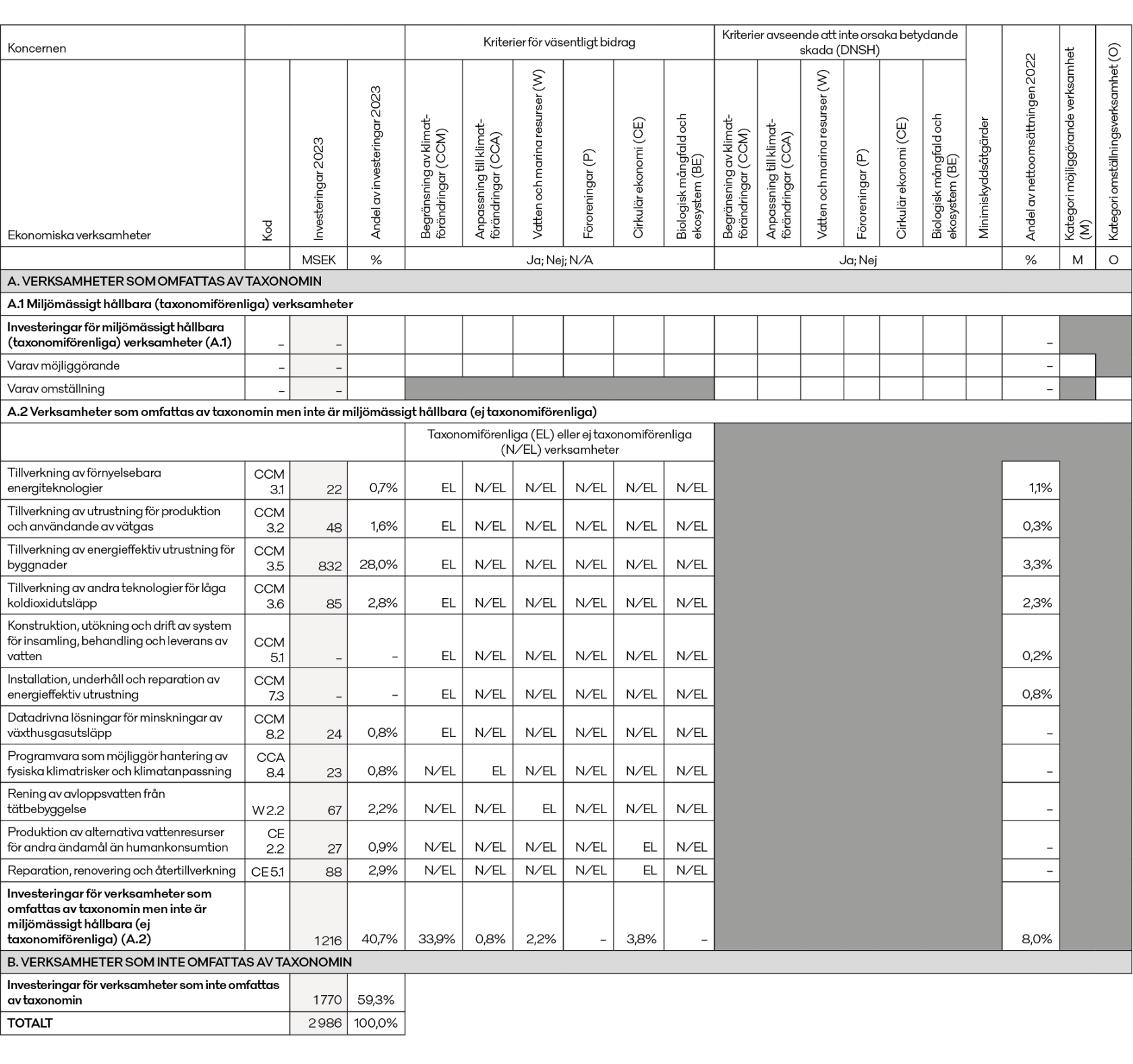
Investeringar
Investeringar är definierat som summan av köpta och leasade investeringar.
Investeringar och driftsutgifter som omfattas av taxonomin avser:
– tillgångar eller processer som har att göra med ekonomiska verksamheter som omfattas av taxonomin och
– inköp av produkter från ekonomiska verksamheter som omfattas av taxonomin och enskilda åtgärder för att sänka koldioxidavtrycket eller reducera växthusgaser förutsatt att åtgärderna är implementerade och i drift inom 18 månader.
Ovanstående tabell om investeringar kan sammanfattas som följer:
| Koncernen | Andel av nettoomsättningen / Total nettoomsättning fördelat på | |
| 2023 | Miljömässigt hållbara (taxonomiförenliga) kriterier | Kriterier som omfattas av taxonomin men inte är miljömässigt hållbara (ej taxonomiförenliga) |
| Begränsning av klimatförändringar (CCM) | – | 33,9% |
| Anpassning till klimatförändringar (CCA) | – | 0,8% |
| Vatten och marina resurser (W) | – | 2,2% |
| Föroreningar (P) | – | – |
| Cirkulär ekonomi (CE) | – | 3,8% |
| Biologisk mångfald och ekosystem (BE) | – | – |
| Totalt | – | 40,7% |
Följande tabell visar hur de investeringar som omfattas av taxonomin har utvecklats från 2022 till 2023.
| Koncernen | Investeringar fördelat per tillgång | |
| MSEK | 2023 | 2022 |
| Materiella anläggningstillgångar | 1 153 | 173 |
| Internt upparbetade immateriella tillgångar | 36 | 5 |
| Licenser och andra immateriella tillgångar | 0 | 0 |
| Kapitaliserade nyttjanderätter | 27 | 12 |
| Totalt | 1 216 | 190 |
Ökningen av investeringarna beror delvis på ett mer produktinriktat sätt att identifiera vilka investeringar som omfattas av taxonomin än föregående år. Ökningen är dock i första hand en återspegling av Alfa Lavals intention att växa inom miljö- och hållbarhetsområdet. Internt upparbetade immateriella tillgångar avser kapitaliserade utvecklingskostnader inom forskning och utveckling och IT.
Investeringarna fokuserar främst på att öka produktionskapaciteten för existerande och nya produkter som reducerar energiåtgången och koldioxidutsläppen för våra kunder och för att reducera Alfa Lavals egen energiförbrukning och egna koldioxidutsläpp.



